2020-06-17
2020年初,新冠肺炎疫情的爆發,打亂了人們的生活節奏。在疫情防控時期,科學技術從一開始就扮演著極其重要的角色。基因檢測、人工智能和5G技術等在這其中發揮了重大的作用。
人工智能,讓無人配送和智能人機交互成為了可能,各種智能無人配送機器人也應運而生。過去幾年,技術成熟度和價格是影響物流機器人大規模推向市場的主要因素。據不完全統計,國內醫院日常運營的大部分成本就有將近一半以上是花費在與物流有關的地方, 如何高效和節省高昂的物流成本是很多大醫院選擇物流機器人的首要因素。

隨著人工智能、物聯網、傳感器等技術的突破發展,機器人相關技術以及產業鏈不斷成熟與完善,伴隨著此次新冠疫情的爆發,物流機器人成為了眾多醫院在應對極端醫療壓力及感染風險的一大重要舉措。疫情的爆發更是催生了不少醫療物流機器人,比如消毒機器人,醫療配送機器人,多功能餐飲服務機器人等等。有了這些機器人,醫護人員負擔將大大減輕,同時也減少了交叉感染的風險。自疫情爆發以來,已有多家醫院采用物流配送機器人配送醫療物資、給隔離區送餐、送貨。
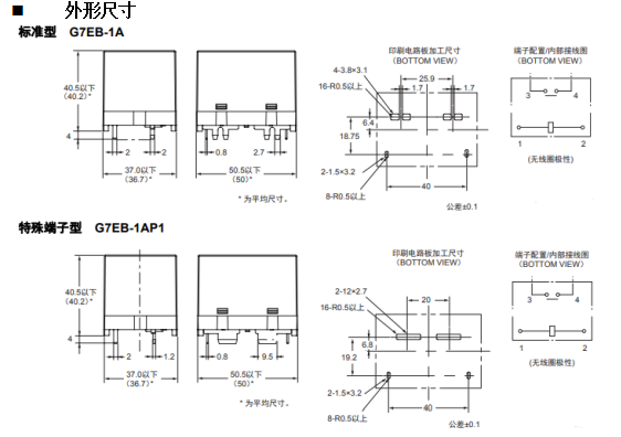
對于那些擁有成熟技術且有成功應用案例的企業來說,機遇與挑戰并存,這將是一個打開醫院物流配送市場的大好機會。以下,我們推薦一款應用于物流機器人的超大功率繼電器,歐姆龍G7EB-1A DC24:

廣州鼎悅電子科技有限公司,是歐姆龍華南區代理商,專業代理歐姆龍繼電器,傳感器,開關,連接器等電子元器件。
點擊咨詢
電話咨詢
QQ咨詢
微信咨詢
回到頂部